客户端

有材APP下载

新材料在线APP下载

寻材问料下载

开通会员

精彩推荐

会员享研报折扣价、看项目BP、约投资人、每日在通讯录加更多好友等特权

开通会员 查看会员特权

登录/注册

热门媒体号

热门企业号

【干货】拓尔微按摩椅应用产品方案指南

来源:拓尔微电子|

发表时间:2023-06-14

点击:2772

本期应用方案指南,我们将为大家详细讲解拓尔微在按摩椅上的BOM解决方案及5款特色产品的应用要点,知识点多多,大家做好笔记哦~


按摩椅的核心部件包括:主板、马达、机械手等,这些部件需要搭载不同功能的芯片以实现按摩椅的功能。所以想要产品实力好——高功率、低噪声、高可靠,芯片解决方案必须得选好!拓尔微按摩椅方案全而优:标准控制板让按摩更到位,语音控制板让控制更智能,电源控制板让充电更高效!


集成化优势,替代继电器、分立器件—TMI8360SP


提高集成度是消费电子领域永恒的追求,按摩椅作为一种新生活的必需品当然也不例外。拓尔微顺应集成化趋势,为按摩椅应用量身定制了中压大电流驱动IC TMI8360SP,用以替代PCB面积大且元器件复杂的继电器方案和分立方案。


与继电器方案相比,TMI8360SP集成方案在外围、PWM调速、声音、保护功能、抗干扰和使用寿命等方面都有明显优势。


"

TMI8360SP替代继电器方案


TMI8360SP在替代P N或者N N的分立方案时,可极大提升集成度和可靠性。


"

TMI8360SP替代P N或者N N分立方案


拓尔微TMI8360SP 具有良好的抗干扰性,并集成过热、过流、欠压等多种保护功能,真正地提高按摩椅电机系统的安全性,让用户使用更安心。同时,其最大电流达8A且支持PWM调速,让按摩力道控制更精准,有效提升按摩效果。


40V3.5A直流马达驱动IC—TMI8130


拓尔微TMI8130是一颗高耐压,高集成度的直流有刷马达驱动,持续电流为3.5A,峰值电流可达8A,具备恒定电流功能,过流和过温保护功能,集成nFAULT错误恢复与指示功能,可靠性更高。


TMI8130应用原理图


TMI8130具备Fixed Off-Time时间可调、Blank Time时间可调、电流衰减方式可调等功能,使得产品应用更加灵活,适用于智能家居中按摩椅、拖地机、扫地机等大功率应用场景。


"

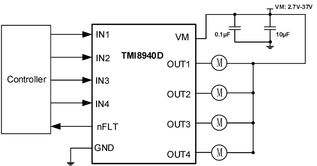
小封装,高可靠性的低边驱动IC —TMI8940D


TMI8940D是一颗单芯片集成4路,最高耐压高达37V,外围简单,具备内置过流、过温保护等多种保护功能,防止芯片烧毁和有效保护产品安全应用。


TMI8940D应用原理图


TMI8940D具备可输入输出并联增强电流能力,主要应用于驱动电磁阀和低功率有刷电机等,适用于按摩椅上小按摩部位,如枕头,腰靠、披肩等应用场景。


"

高压60V1A 异步降压转换器—TMI36010


TMI36010是一颗60V高耐压的异步降压转换器,工作频率支持600kHz,轻载高效,内置多种保护功能,可靠性更高!


TMI36010应用原理图


TMI36010集成300mΩ高侧MOSFET,在宽输入电压范围6-60V内实现高效率,适用范围更广,除按摩椅外还适用于电钻、吸尘器等应用场景。


"

3W单通道D类音频功放—TMS8010/8020


如下图,TMS8010/TMS8020均集成有DRC(防饱和)功能,可以控制音频信号的大小,降低由于供电电压不稳定等原因造成的信号失真,提高音质,同时限制最大输出功率。


T

MS8010/20 DRC特性


TMS8010/TMS8020的工作模式可灵活切换D类/AB类,补足单纯D类功放无法满足的应用场景,让音频产品的功放选择更简单,设计更灵活,满足用户边按摩边听音乐的需求,提升产品用户体验指数。


得益于以上多种优势,TMS8010/TMS8020可覆盖广泛的市场应用,包括按摩椅、POS机、智能穿戴、安防监控、蓝牙音箱等。



"


100大潜力材料

[声明]本文由新材料在线平台入驻企业/个人提供,文章内容仅代表作者本人,不代表本网站及新材料在线立场,本站不对文章内容真实性、准确性等负责,尤其不对文中产品有关功能性、效果等提供担保。本站提醒读者,文章仅供学习参考,不构成任何投资及应用建议。如需转载,请联系原作者。如涉及作品内容、版权和其它问题,请与我们联系,我们将在第一时间处理!本站拥有对此声明的最终解释权。

点击咨询

客服

下载APP

公众号

让客服与您联系

留下您的联系方式,让客服为您提供专属服务

关闭