客户端

有材APP下载

新材料在线APP下载

寻材问料下载

开通会员

精彩推荐

会员享研报折扣价、看项目BP、约投资人、每日在通讯录加更多好友等特权

开通会员 查看会员特权

登录/注册

热门媒体号

热门企业号

质量流量防堵塞传感器在空气净化器滤网中的作用

来源:夏天|

发表时间:2018-08-08

点击:9043

空气净化器又称“空气清洁器”、空气清新机、净化器,是指能够吸附、分解或转化各种空气污染物(一般包括PM2.5、粉尘、花粉、异味、甲醛之类的装修污染、细菌、过敏原等),有效提高空气清洁度的产品。另一方面国家《空气净化器》相关标准中把空气净化器定义为“从空气中分离和去除一种或多种污染物的设备,对空气中的污染物有一定去除能力的装置。


空气净化器在居家、医疗、工业领域均有应用,居家领域以单机类的家用空气净化器为市场的主流产品。最主要的功能是去除空气中的颗粒物,包括过敏原、室内的PM2.5等,同时还可以解决由于装修或者其他原因导致的室内、地下空间、车内挥发性有机物空气污染问题。由于相对封闭的空间中空气污染物的释放有持久性和不确定性的特点,因此使用空气净化器净化室内空气是国际公认的改善室内空气质量的方法之一。


根据空气净化器针对空气中颗粒物去除技术,一般主要通过以下4种方式捕获微粒:直接拦截,惯性碰撞,布朗扩散机理,筛选效应,其对细小颗粒物收集效果好但风阻大,为了获得高的净化效率,空气净化器最核心的是滤材,有的滤材擅长过滤花粉,有的则专门去除颗粒,而如果使用不当,空气净化器也可能变成“污染源”。每一台净化器都有若干层功能不同的滤网,滤网的阻力较大,如过滤网脏了,用水是无法洗干净的,而且滤网需要致密导致寿命降低必须更换。滤网最好常换,即使在空气质量较好的情况下也不能超过半年,否则滤材吸附饱和之后会释放有害物质,变成“污染源”。


目前颗粒污染物过滤技术主要是HEPA滤网,HEPA滤网质量参差不齐,一些小品牌的滤网虽然具有较高的过滤效率,但是阻力大,能效比比较低,而且很容易堵塞,寿命较短,一般建议选用带有静电驻极的深度容尘HEPA滤网,针对空气净化器中过滤网容易堵塞的情况工釆网提提供了一款质量流量防堵塞传感器 - FS7002很好的解决了这一技术难题。


FS7002质量流量防堵塞传感器是采用MEMS流量传感芯片来制作,适用于各类一般用途的清洁、干燥气体。独特的封装技术使之在相同的管径下可测量不同范围的流量,大批量生产以确保高可靠性,高性能和低成本。该传感器是专为快速测量流速变化而设计,适用于多种设备,如LCD投影仪的散热系统、空气清新机、各种仪器、通风管道或风扇马达等,可及时反馈散热系统过滤器的运行情况并防止因为堵塞而引起的异常情况。


FS7002质量流量防堵塞传感器产品特点:

- 测量范围达0~10m/sec

- 响应时间快

- 微型设计,易于安装

- 灵敏度高

- 连接方式可根据客户需求定制


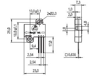
FS7002质量流量防堵塞传感器机械图:



FS7002质量流量防堵塞传感器技术参数:



[声明]本文由新材料在线平台入驻企业/个人提供,文章内容仅代表作者本人,不代表本网站及新材料在线立场,本站不对文章内容真实性、准确性等负责,尤其不对文中产品有关功能性、效果等提供担保。本站提醒读者,文章仅供学习参考,不构成任何投资及应用建议。如需转载,请联系原作者。如涉及作品内容、版权和其它问题,请与我们联系,我们将在第一时间处理!本站拥有对此声明的最终解释权。

点击咨询

客服

下载APP

公众号

让客服与您联系

留下您的联系方式,让客服为您提供专属服务

关闭